Аннотация: Блоки питания и LED-драйверы современных ЖК телевизоров. Ремонт № 155
В очередной книге популярной серии «Ремонт» рассматриваются блоки питания и LED-драйверы современных жидкокристаллических телевизоров со светодиодной подсветкой панелей различных торговых марок, в частности это: BBK, GRUNDIG, LG, HAIER, MYSTERY, SAMSUNG, TCL, TELEFUNKEN и другие. По статистике ремонтных организаций это наименее надежный узел современных телевизоров и других устройств, в которых используются ЖК панели.
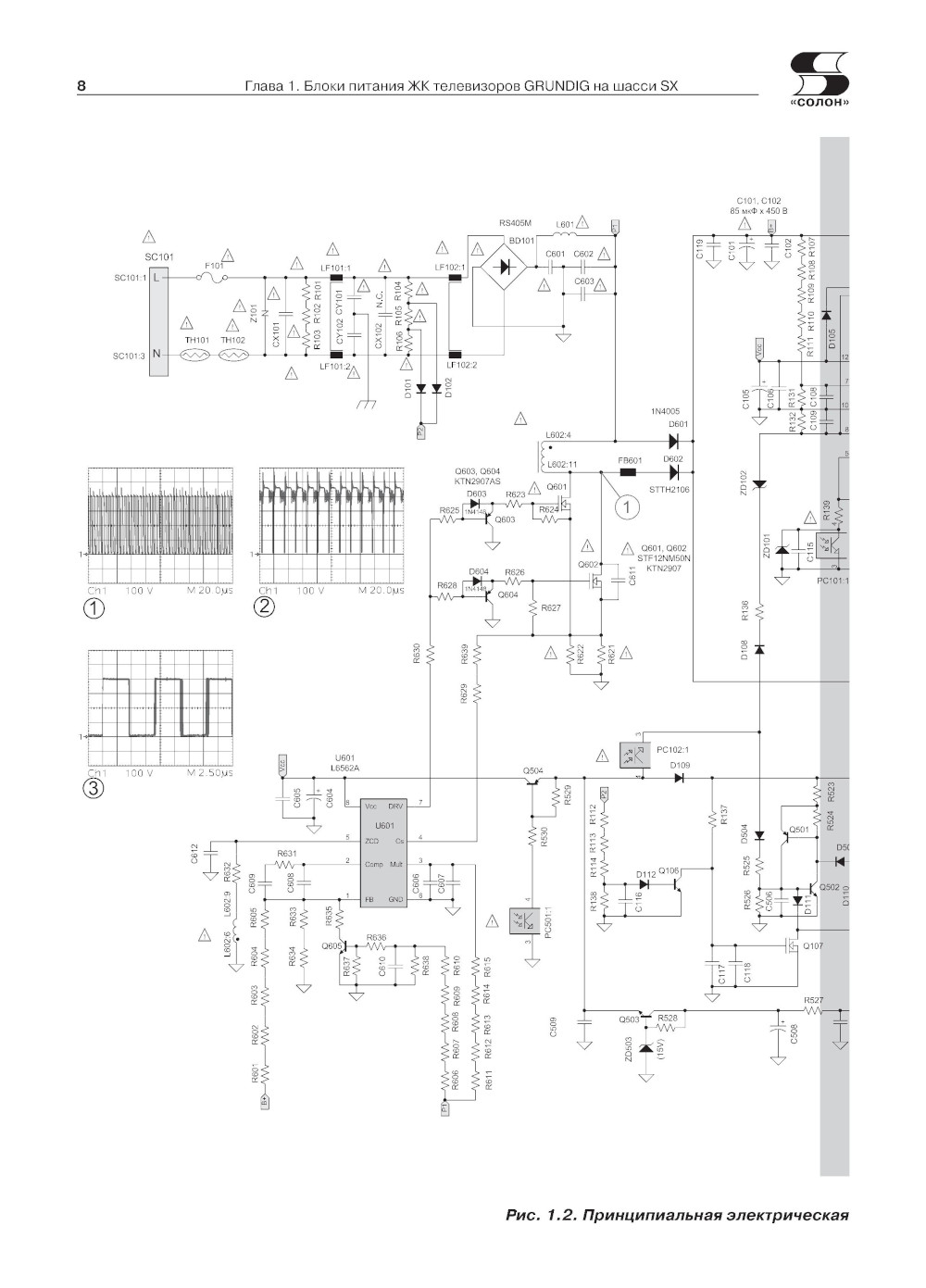
В книге рассматривается более 15-ти типов блоков питания, которые применяются при производстве большого количества телевизоров. По каждому блоку питания приводятся блок-схема, принципиальная электрическая схема, подробно описываются ее схемотехнические особенности, включая архитектуру интегральных контроллеров, а также перечень типовых неисправностей, способы их устранения и доработки для увеличения надежности.
Книга предназначена для специалистов, занимающихся ремонтом телевизионной техники, а также для учащихся профильных учебных заведений и радиолюбителей, интересующихся этой темой.
| Серия | Ремонт |
| Год выпуска | 2022 |
| ISBN | 978-5-91359-472-3 |
| Производитель | Солон-пресс |
| Издательство | Солон-пресс |
| Количество томов | 1 |
| Количество страниц | 128 |
| Переплет | Мягкая обложка |
| Размеры | 285x205x7 мм |
| Цвет | Синий |
| Тип бумаги | офсетная (60-220 г/м2) |
| Формат | 70x100/16 (170x240 мм) |
| Стандарт | 20 |
| Вес | 302 |
| Язык | русский |
Бесплатная Доставка по Европе (EU)*
*Для заказов свыше 40, - евро Подробнее
Блоки питания и LED-драйверы современных ЖК телевизоров. Ремонт № 155
- Производитель: Солон-пресс
- Модель: MYSH4676728
- ISBN: 978-5-91359-472-3
- Наличие:
-
Срок доставки: 21 день
- (6 оценок)









